54 Producten
Ondergereedschappen LVD
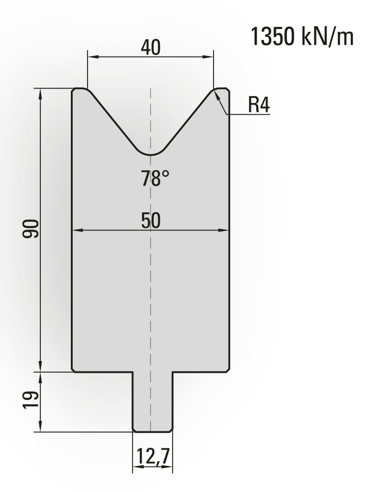
Vind snel het juiste ondergereedschap
Gebruik onze filters om eenvoudig het juiste ondergereedschap voor uw kantbank te selecteren. De onderstaande afbeelding helpt u de verschillende parameters te begrijpen:
-
V- (opening) groef (V):
De breedte van de V-groef, aangeduid met V. Deze wordt bepaald aan de hand van de materiaaldikte van het te kanten materiaal. Een vuistregel is: 8 keer de materiaaldikte voor staal en 10 keer de materiaaldikte voor RVS. Bij een materiaaldikte van 1 mm is dus de V-groef voor staal 8 mm en voor RVS 10 mm. -
Radius (R):
Dit is de radius aan de bovenzijde van het gereedschap, aangegeven in de afbeelding als R. -
Hoogte (H):
De totale hoogte van het ondergereedschap, aangeduid met H in de afbeelding. -
Hoek (α):
De openingshoek van de V-groef, weergegeven met α in de afbeelding. -
Capaciteit (kN/m):
De maximale kracht die het gereedschap kan weerstaan. Dit wordt aangeduid als capaciteit in kN/m. -
Breedte (B):
De breedte van het ondergereedschap, aangegeven als B. Dit is belangrijk voor het bepalen van de beenlengte. De beenlengte is belangrijk, omdat deze bepaalt wat de minimale lengte van het te kanten stuk moet zijn, zodat het niet in de matrijs valt of wegschiet tijdens het kanten.
