108 Producten
Ondergereedschappen AMADA/EUROSTYLE/PROMOCAM
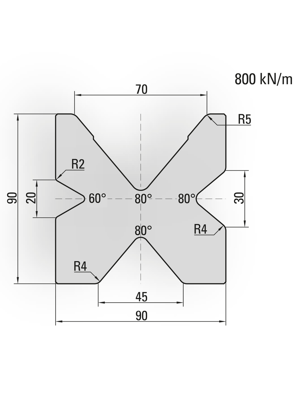
Vind snel het juiste ondergereedschap
Gebruik onze filters om eenvoudig het juiste ondergereedschap voor uw kantbank te selecteren. De onderstaande afbeelding helpt u de verschillende parameters te begrijpen:
 
  - 
V-groef (V):
 De breedte van de V-groef, aangeduid met V. Deze wordt bepaald aan de hand van de materiaaldikte van het te kanten materiaal. Een vuistregel is: 8 keer de materiaaldikte voor staal en 10 keer de materiaaldikte voor RVS. Bij een materiaaldikte van 1 mm is dus de V-groef voor staal 8 mm en voor RVS 10 mm.
- 
Radius (R):
 De radius aan de bovenzijde van het gereedschap, aangegeven in de afbeelding als R.
- 
Hoogte (H):
 De totale hoogte van het ondergereedschap, aangeduid met H in de afbeelding.
- 
Hoek (α):
 De openingshoek van de V-groef, weergegeven met α in de afbeelding.
- 
Capaciteit (kN/m):
 De maximale kracht die het gereedschap kan weerstaan, aangeduid in kN/m.
- 
Breedte (B):
 De breedte van het ondergereedschap, aangegeven als B. Dit is belangrijk voor het bepalen van de beenlengte, omdat deze de minimale lengte van het te kanten stuk bepaalt.

 
          
             
          
             
          
             
          
             
          
             
          
             
          
             
          
             
          
             
          
             
          
             
          
            